| | Rudder CollectionRudder 20Rudder-20 is designed for use on dinghy and catamarans 10'-17' | | Blade 01 Profile NACA Weight 1 kg
|
| | | Blade 02 Profile STEINER Weight 0.75 kg
|
|
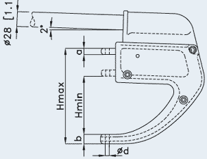
Rudder box 20 assembly for Blade by thickness 20 mm 
| Hmax | Hmin | Ø d | a | b | m | | mm | in | mm | in | mm | in | mm | in | mm | in | kg | R 20/8 | 180 | 7.09 | 110 | 4.43 | 8 | 5/16 | 12 | 0.47 | 18 | 0.71 | 0.78 | R 20/10 | 10 | 25/64 |
The distance between the upper and lower gudgeon can change from Hmin up to Hmax | |